|
Синтезатор на LC72131 для 9 диапазонного SDR трансивера -DIP
|
|
| ut3mk | Дата: Четверг, 03.02.2011, 22.01.48 | Сообщение # 586 |
 Генералиссимус
Группа: Администраторы
Сообщений: 5078
Статус: Offline
| Quote (US5NCJ) через каждых 5кГц слышу сигнал с меньшим уровнем, Сними скрин экрана через FastStone Capture 6.7. Так будет легче говорить.
|
| |
|
|
| US5NCJ | Дата: Четверг, 03.02.2011, 22.38.20 | Сообщение # 587 |
 Генерал-лейтенант
Группа: Администраторы
Сообщений: 570
Статус: Offline
| ut3mk,
|
| |
|
|
| ut3mk | Дата: Пятница, 04.02.2011, 00.11.36 | Сообщение # 588 |
 Генералиссимус
Группа: Администраторы
Сообщений: 5078
Статус: Offline
| US5NCJ, Расскажешь все измерения которые обговорили в скайпе. Покажи полный экран на максимальный битрей 96-192. Вот в таком виде как у меня от 3.6000 до 3.8000мГц. Не надо в % сжимать Сделай две картинки подав сигнал с ГСС и диапазонный эфир. 
|
| |
|
|
| US5NCJ | Дата: Воскресенье, 06.02.2011, 00.17.42 | Сообщение # 589 |
 Генерал-лейтенант
Группа: Администраторы
Сообщений: 570
Статус: Offline
| ut3mk, Юрий, добрый день. Я устранил прием +-5кГц, оказывается дело было в обвязке транзистора КТ3102, который регулирует напряжения на варикапах. У меня почему-то стоял резистор 1кОм и конденсатор 1000пф, я заменил его на 5К6 конденсатор 0.47мкф я имею введу фильтр, который стоит между транзистором и варикапами, и все стало в норме. Но у меня появилась вторая проблема, принимаю зеркальный канал, например я подаю с генератора сигнал 3.680 и через +17кГц 3.697 принимаю тот же самый генератор, только с верхней боковой полосой, никак не могу понять, откуда он берется. Если бы это устранить, больше к нечему было бы придраться.
Сообщение отредактировал US5NCJ - Воскресенье, 06.02.2011, 00.18.06 |
| |
|
|
| ut3mk | Дата: Воскресенье, 06.02.2011, 14.15.23 | Сообщение # 590 |
 Генералиссимус
Группа: Администраторы
Сообщений: 5078
Статус: Offline
| Quote (US5NCJ) я подаю с генератора сигнал 3.680 и через +17кГц 3.697 принимаю тот же самый генератор, Да покажи же все картинками.!!!! 
|
| |
|
|
| US5NCJ | Дата: Понедельник, 07.02.2011, 21.27.30 | Сообщение # 591 |
 Генерал-лейтенант
Группа: Администраторы
Сообщений: 570
Статус: Offline
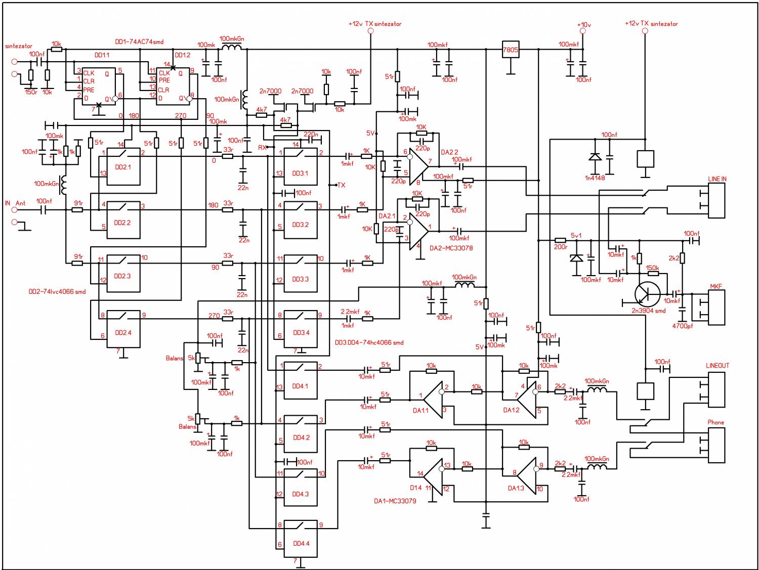
| Добрый день, Юрий. Как и обещал скидываю схему и печатную плату. ТЕМУ ПЕРЕВОДИМ ПО ЭТОЙ ССЫЛКЕ http://ut3mk.at.ua/forum/2-2-2337-16-1299089345
|
| |
|
|
| apofiz | Дата: Понедельник, 07.02.2011, 23.07.52 | Сообщение # 592 |
 Рядовой
Группа: Пользователи
Сообщений: 2
Статус: Offline
| Уважаемые радиолюбители не могли бы вы подсказать по этому синтезатору частоты RA9YTJ http://radiopro.ucoz.ru/load....1-0-209 как и чем правильно прошить контроллеры и как выставить фьюзы. Может у кого есть информация? Буду рад любой помощи!
|
| |
|
|
| ut3mk | Дата: Понедельник, 07.02.2011, 23.12.04 | Сообщение # 593 |
 Генералиссимус
Группа: Администраторы
Сообщений: 5078
Статус: Offline
| Quote (US5NCJ) Как и обещал скидываю схему и печатную плату. Я не смог открыть файл. Как у других?
|
| |
|
|
| US5NCJ | Дата: Понедельник, 07.02.2011, 23.16.06 | Сообщение # 594 |
 Генерал-лейтенант
Группа: Администраторы
Сообщений: 570
Статус: Offline
| apofiz, Ув. Радиолюбитель. Для того что бы прошить контролер, нужно как минимум иметь программатор, прошивку и программу, я например использую icprog106B. Инструкция по детальной прошивке контроллера ищите на форуме, используйте поиск в помощь. И еще зависит от того, какая версия синтезатора что бы можно было определить скорость по COM порту.
|
| |
|
|
| ut3mk | Дата: Понедельник, 07.02.2011, 23.16.30 | Сообщение # 595 |
 Генералиссимус
Группа: Администраторы
Сообщений: 5078
Статус: Offline
| Quote (apofiz) подсказать по этому синтезатору частоты RA9YTJ Да по этому синтезу есть детальный форум http://www.cqham.ru/forum/showthread.php?t=11041&page=0&perpage=30
|
| |
|
|
| US5NCJ | Дата: Понедельник, 07.02.2011, 23.16.41 | Сообщение # 596 |
 Генерал-лейтенант
Группа: Администраторы
Сообщений: 570
Статус: Offline
| ut3mk, какой именно?
|
| |
|
|
| ut3mk | Дата: Понедельник, 07.02.2011, 23.20.03 | Сообщение # 597 |
 Генералиссимус
Группа: Администраторы
Сообщений: 5078
Статус: Offline
| US5NCJ, SDR-2.lay Упакуй его хотя бы ZIPом. А так он не поймешь как сохранился. Ясно только одно он не *.LAY
|
| |
|
|
| US5NCJ | Дата: Понедельник, 07.02.2011, 23.22.36 | Сообщение # 598 |
 Генерал-лейтенант
Группа: Администраторы
Сообщений: 570
Статус: Offline
| Вот архив.
|
| |
|
|
| ut3mk | Дата: Понедельник, 07.02.2011, 23.27.30 | Сообщение # 599 |
 Генералиссимус
Группа: Администраторы
Сообщений: 5078
Статус: Offline
| Это совсем другое дело Посмотрю... бросается в глаза пустые места. Будет время помучаю ее Чуть не забыл. Обновилась программа Sprint-Layout 6 качай ее с моего сайта
|
| |
|
|
| US5NCJ | Дата: Вторник, 08.02.2011, 00.11.46 | Сообщение # 600 |
 Генерал-лейтенант
Группа: Администраторы
Сообщений: 570
Статус: Offline
| Юрий, посмотрите эти микросхемы, это просто чудо. Обновил схему. ТЕМУ ПЕРЕВОДИМ ПО ЭТОЙ ССЫЛКЕ http://ut3mk.at.ua/forum/2-2-2337-16-1299089345
Сообщение отредактировал US5NCJ - Вторник, 08.02.2011, 00.13.52 |
| |
|
|